网站首页 美食营养 游戏数码 手工爱好 生活家居 健康养生 运动户外 职场理财 情感交际 母婴教育 时尚美容

富士PHN无纸记录仪使用说明书:[5]

时间:2024-11-07 05:42:43

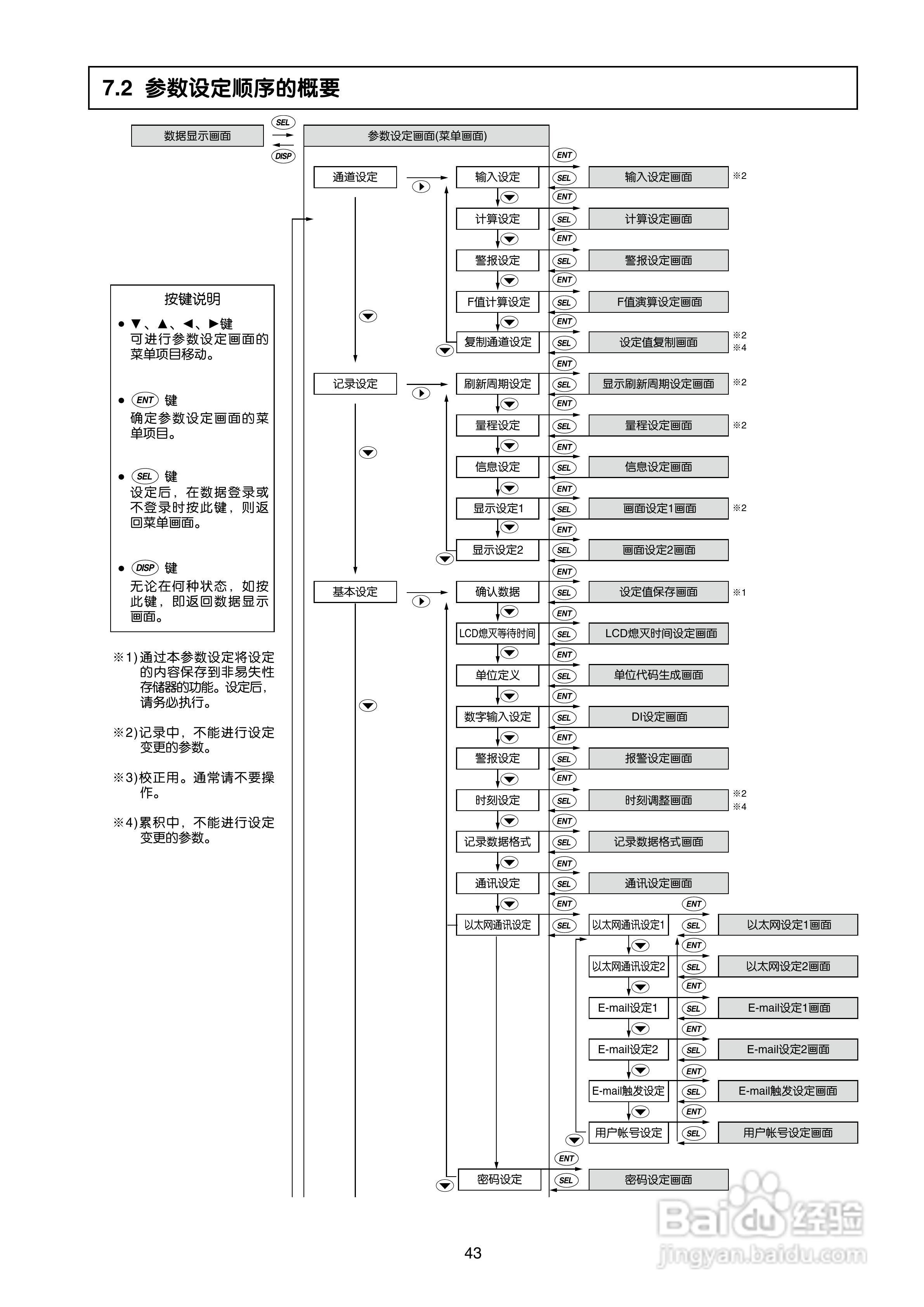
本篇为《富士PHN无稀佘扬擗纸记录仪使用说明书》,主要介绍该产品的使用方法以及常见故障解决方案。

<足毂忍珩img src="富士PHN无纸记录仪使用说明书:[5]" height="863" width="610" />

富士PHN无纸记录仪使用说明书:[5]

富士PHN无纸记录仪使用说明书:[5]

富士PHN无纸记录仪使用说明书:[5]

富士PHN无纸记录仪使用说明书:[5]

富士PHN无纸记录仪使用说明书:[5]

富士PHN无纸记录仪使用说明书:[5]

富士PHN无纸记录仪使用说明书:[5]

富士PHN无纸记录仪使用说明书:[5]

富士PHN无纸记录仪使用说明书:[5]

© 2025 一点资料
信息来自网络 所有数据仅供参考
有疑问请联系站长 site.kefu@gmail.com