1、打开solidworks软件,选择上视基准面,新建一个草图,使用矩形命令绘制一个如下图的草图,确定。

2、使用特征里面的拉伸凸台工具,进行拉伸,拉伸深度为20,确定。

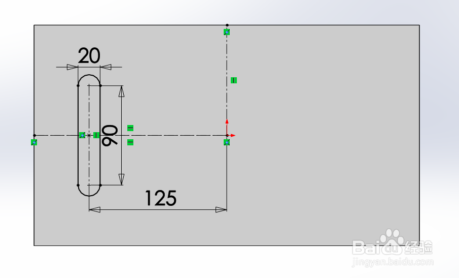
3、选择长方体的上面,新建一个草图,使用槽口命令绘制一个如下图的草图,确定。

4、使用特征里面的拉伸切除工具,进行切除,深度为完全贯穿,确定。

5、使用特征里面的线性阵列中的镜像,进行镜像,选择右视基准面作为镜像面,镜像特征为切除,确定。

6、最终效果如下图所示。

7、如果有帮到你,请投我一票,希望它能帮助更多的人,谢谢!
1、打开solidworks软件,选择上视基准面,新建一个草图,使用矩形命令绘制一个如下图的草图,确定。

2、使用特征里面的拉伸凸台工具,进行拉伸,拉伸深度为20,确定。

3、选择长方体的上面,新建一个草图,使用槽口命令绘制一个如下图的草图,确定。

4、使用特征里面的拉伸切除工具,进行切除,深度为完全贯穿,确定。

5、使用特征里面的线性阵列中的镜像,进行镜像,选择右视基准面作为镜像面,镜像特征为切除,确定。

6、最终效果如下图所示。

7、如果有帮到你,请投我一票,希望它能帮助更多的人,谢谢!