网站首页 美食营养 游戏数码 手工爱好 生活家居 健康养生 运动户外 职场理财 情感交际 母婴教育 生活知识 知识问答

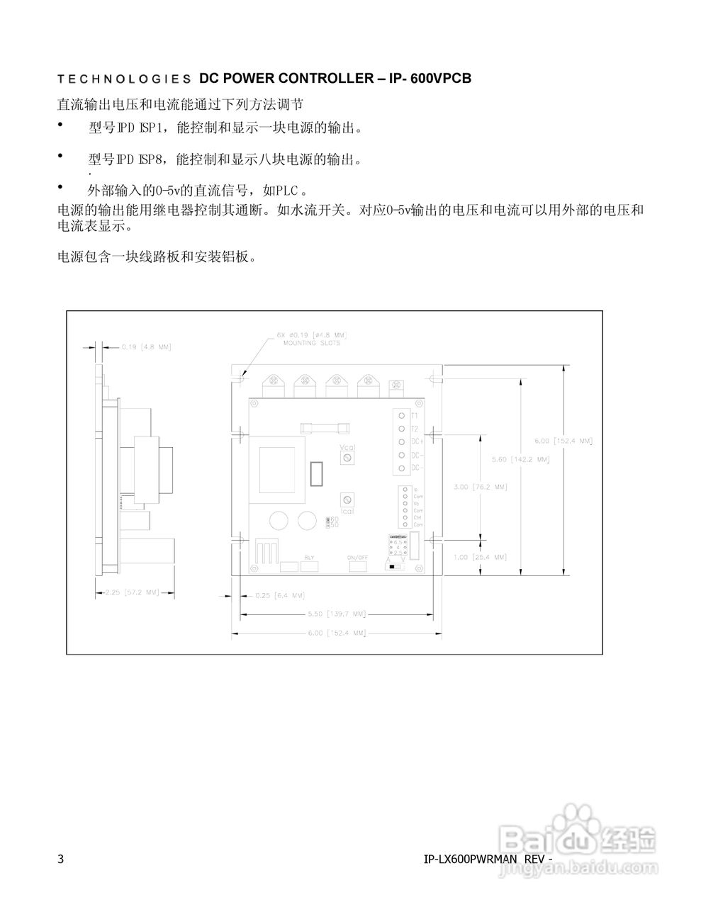
IP-660VPCB 单相数字式电源说明书

时间:2024-10-13 09:42:06

IP-660VPCB 单相数字式电源说明书

IP-660VPCB 单相数字式电源说明书

IP-660VPCB 单相数字式电源说明书

IP-660VPCB 单相数字式电源说明书

IP-660VPCB 单相数字式电源说明书

IP-660VPCB 单相数字式电源说明书

IP-660VPCB 单相数字式电源说明书

IP-660VPCB 单相数字式电源说明书

© 2025 一点资料
信息来自网络 所有数据仅供参考
有疑问请联系站长 site.kefu@gmail.com